Beschreibung
Hauswasserfilter DN25 mit Druckminderer
Halbautomatischer Rückspülfilter mit Druckminderer und Manometer
- Manometer 0 bis 10 bar.
- Ausgangsdruck regelbar von 1,5 bis 6 bar. Werkseitige Einstellung 4 bar.
- Hochleistungs-Druckminderer-Patrone mit geringem Druckverlust
- Zentraler Ablauftrichter nach DIN EN 1717.
- Durchlassweite unten 80 μm, oben 150 μm
- Verwendungsbereich nach DIN 1988: Trinkwasser bis 30 °C
- Betriebsdruck: 2 bis 16 bar.
- Einschließlich Anschlussflansch aus Pressmessing, mit beidseitiger Verschraubung
- Durchflussleistung bei ΔP 1,1 bar: 3,6 m³/h
Der Vitoset Hauswasserfilter ist ein rückspülbarer Filter. Der Hauswasserfilter besteht aus einem Filterelement aus Edelstahl, Ablauftrichter und Anschlussflansch mit beidseitiger Verschraubung. Der Hauswasserfilter beinhaltet zusätzlich einen Druckminderer. Er ist einstellbar zwischen 1,5 und 6 bar Ausgangsdruck. Der Hauswasserfilter besitzt einen außenliegenden Einstellgriff für individuelle Druckeinstellung und ein Ausgangsmanometer mit 0 bis 10 bar.
Der Vitoset Hauswasserfilter ist für den Einbau in waagerechte und senkrechte Leitungen geeignet. Alle verwendeten Materialien entsprechen den anerkannten Regeln der Technik. Die vom Wasser berührten Kunstoffteile und Elastomere entsprechen den Empfehlungen des Bundesgesundheitsamts. (Quelle: Viessmann Montageanleitung für Hauswasserfilter)
Merkmale
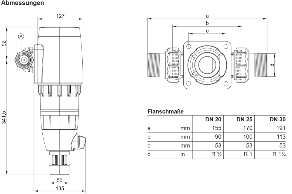
| Nennweite | DN 25 |
|---|
Zubehöre
Montageschlüssel Filtertasse
| Art.-Nr. | 7872377 |
