Beschreibung
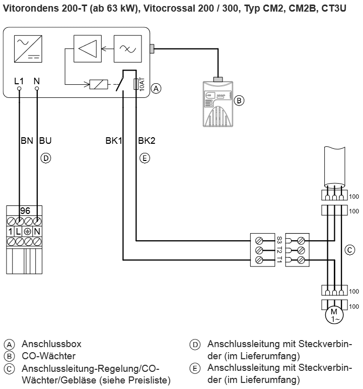
CO-Wächter mit Interface max 10A
Überwachungseinrichtung zur Sicherheitsabschaltung des Heizkessels bei Austritt von Kohlenmonoxid.
■ Alarmschwelle: 50 ppm CO gemäß EN 50 291-1
■ Das Gerät wurde zum Schutz von Personen vor den akuten Wirkungen eines Kohlenmonoxidkontakts entwickelt.
Einsetzbar für Heizkessel ab Baujahr 2004
Mit Anschlussleitung (Adapterkabel) für den Einsatz bei Vitorondens 200-T von 68 bis 107 kW
Technische Daten:
- Nennspannung 230 V- / 50 Hz
- Leistungsaufnahme 2 Watt
- Nennbelastbarkeit des Relaisausgangs: 10 A 230 V~/10 mA 24 V~
- Alarmschwelle 50 ppm CO gemäß EN 50291-1
- Akustischer Alarm: 85 dBA/1 m
- Sensor: Elektrochemisch
- Schutzklasse II
- Schutzart IP20 gemäß EN 60529 durch Aufbau/Einbau gewährleisten
- Zulässige Umgebungstemperatur 0 °C bis 40 °C
- Luftfeuchtigkeit: max. 90 % nicht kondensierend
Der CO-Wächter zeigt nur das Vorhandensein von Kohlenmonoxidgas am Sensor an und schaltet das angeschlossene Gerät solange aus, wie die CO-Konzentration an dieser Stelle oberhalb der Auslöseschwelle liegt. Es kann sich allerdings auch Kohlenmonoxidgas in anderen Bereichen befinden.
Ein Kohlenmonoxidmelder ist kein Ersatz für einen Rauchmelder oder einen Detektor von brennbaren Gasen.
Der CO-Wächter darf nicht als Ersatz für die sachgemäße Installation, Nutzung und Wartung von brennstoffbetriebenen Geräten (mit angemessenen Belüftungs- und Abgassystemen) und auch nicht für die Reinigung von Schornsteinen angesehen werden.
Folgende Substanzen können den CO-Wächter beeinflussen und eventuell einen Fehlalarm auslösen:
Ethylen, Ethanol, Alkohol, Iso-Propanol, Benzin, Toluol, Ethylacetat, Hydrogen, Hydrogensulfid und Schwefeldioxide.
Die genannten Substanzen nicht in dem Raum einsetzen, in dem der CO-Wächter installiert ist.
Nach einer Betriebsdauer von 10 Jahren den CO-Wächter austauschen. Austauschdatum siehe Feld „Replace by date“ am CO-Wächter.
Warnung
Wennder CO-Wächter ein Alarmsignal ausgibt, sind die folgenden Maßnahmen inder angegebenen Reihenfolge unverzüglich durchzuführen:
1. Ruhebewahren, alle Türen und Fenster öffnen, um die Lüftungsrate zu erhöhen.Die Benutzung aller Verbrennungseinrichtungen beenden undsicherstellen, dass sie ausgeschaltet sind. Bei Gasgeräten dasNotabschaltventil betätigen.
2. Falls der Alarm weiterhinansteht, Gebäude räumen. Türen und Fenster geöffnet lassen. Das Gebäudeerst wieder betreten, wenn der Alarm beendet ist. In Mehrfamilienhäusernund mehrstöckigen Gebäuden sicherstellen, dass alle Bewohner vor derGefahr gewarnt werden.
3. Medizinische Hilfe anfordern, fallssich Symptome einer Kohlenmonoxidvergiftung zeigen. Darauf hinweisen,dass das Einatmen von Kohlenmonoxid vermutet wird.
4. Wartungs- und/oder Instandhaltungsfirma informieren.
Fallsnotwendig, die Notrufnummer des zuständigen Brennstofflieferanten bzw.die öffentliche Notrufnummer wählen, damit die Quelle desKohlenmonoxid-Austritts erkannt und beseitigt werden kann. DieVerbrennungseinrichtung nicht in Betrieb nehmen, bevor sie von einersachkundigen Person entsprechend den nationalen Bestimmungen geprüft undfür die Benutzung freigegeben wurde.
Merkmale
| Sensortyp | Kohlenmonoxid CO |
|---|
Hersteller
Hersteller
Viessmann Holding International GmbH
Viessmannstraße 1
35108 Allendorf (Eder)
Telefon: 06452
70-0
Telefax: 06452 70-2780
E-Mail: info@viessmann.com
https://www.viessmann.de/
WEEE-Reg.-Nr. des Herstellers
| 58723830 | Viessmann Deutschland GmbH | 35108 | Hessen | Geräte, bei denen mindestens eine der äußeren Abmessungen mehr als 50 Zentimeter beträgt (Großgeräte) | Große Photovoltaikmodule, die in privaten Haushalten genutzt werden können | |
| 58723830 | Viessmann Deutschland GmbH | 35108 | Hessen | Geräte, bei denen mindestens eine der äußeren Abmessungen mehr als 50 Zentimeter beträgt (Großgeräte) | Großgeräte, die in privaten Haushalten genutzt werden können | |
| 58723830 | Viessmann Deutschland GmbH | 35108 | Hessen | Kleine Geräte der Informations- und Telekommunikationstechnik, bei denen keine der äußeren Abmessungen mehr als 50 Zentimeter beträgt | Kleine Geräte der Informations- und Telekommunikationstechnik, die in privaten Haushalten genutzt werden können | |
| 58723830 | Viessmann Deutschland GmbH | 35108 | Hessen | Geräte, bei denen keine der äußeren Abmessungen mehr als 50 Zentimeter beträgt (Kleingeräte) | Kleingeräte, die in privaten Haushalten genutzt werden können | |
| 58723830 | Viessmann Deutschland GmbH | 35108 | Hessen | Wärmeüberträger | Wärmeüberträger, die in privaten Haushalten genutzt werden können |
